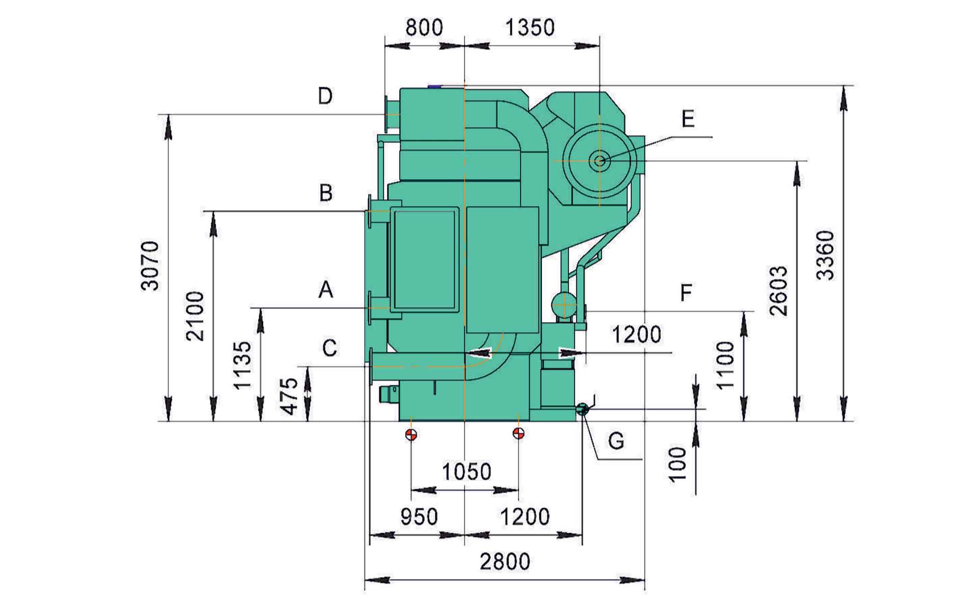
Высота в м.
3,36
Гидравлическое сопротивление контура, м вод. ст. охлаждаемой воды
2,1
Гидравлическое сопротивление контура, м вод. ст. охлаждающей воды
11,0
Длина в м.
6,00
Категория
АБХМ на паре
Масса в т, в рабочем состоянии
26,0
Масса в т, сухая
21,1
Модель
2-2000П
Расход греющего пара, кг/ч
2860
Расход охлаждаемой воды м3
378
Расход охлаждающей воды м3
434
Серия
АБХМ-П-10
Степень переработки
Двухступенчатая
Установленная электрическая мощность, кВт
8,5
Холодильная мощность, кВт
2200
Ширина в м.
2,80

Абсорбционные бромистолитиевые холодильные машины с паровым обогревом с двухступенчатой регенерацией раствора 10й серии 2-2000П

Данные приведены для следующих пораметров теплоносителей: 

  • температура охлаждаемой воды - 12/7 C
  • температура охлаждающей воды - 27/35 C
  • давление греющего пара на входе в генератор - 0,07 МПа

Минимальная температура охлаждённой воды 5 С

Характеристики электропитания: 380 В, 50Гц.

Холодильные машины с параметрами, выходящими за пределы модельного ряда могут быть поставлены заказчику по согласованию.

Допускаемое давление:

  • охлаждаемой воды - 1МПа
  • охлаждающей воды - 0,6 МПа
  • греющего пара - 1,0МПа