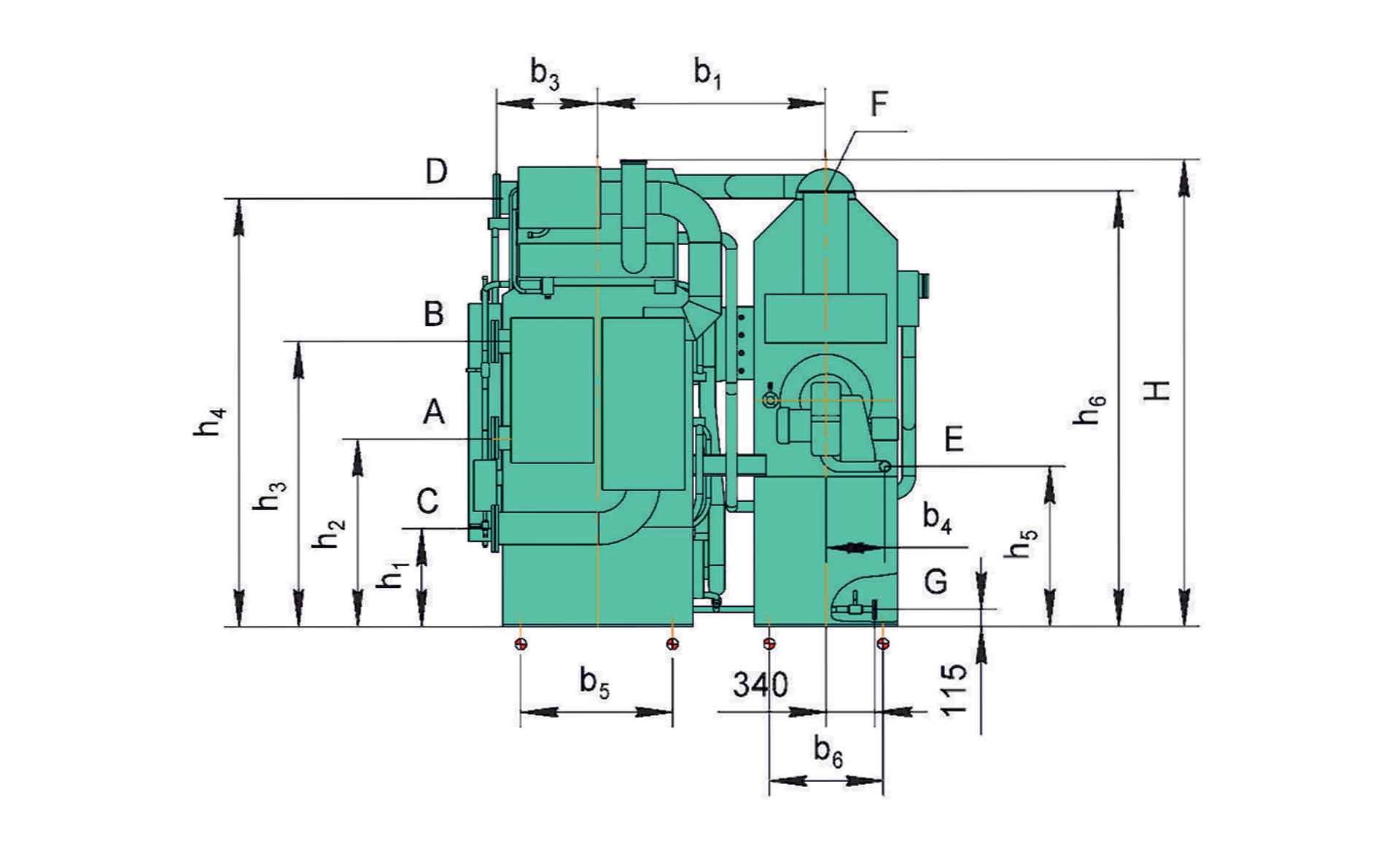
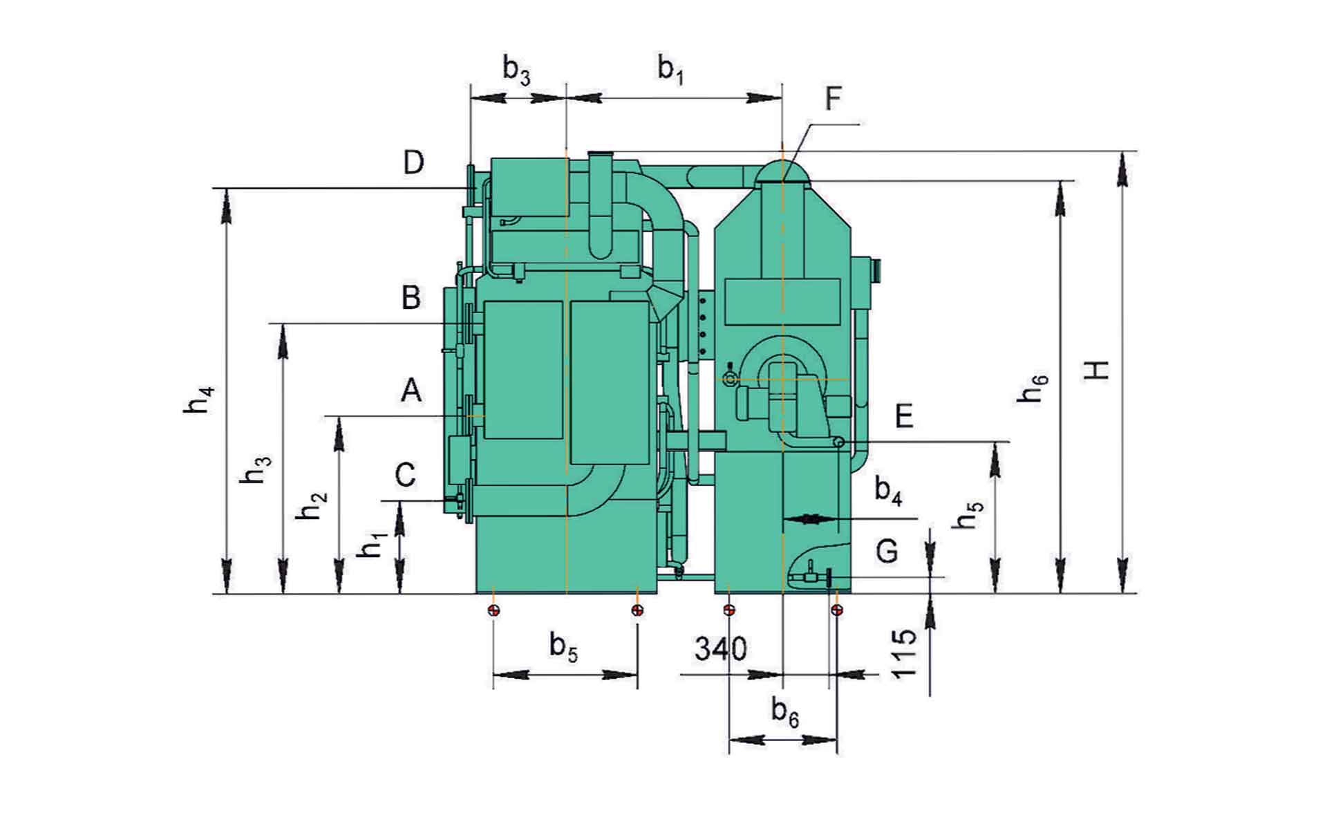
Высота в м.
3,14
Гидравлическое сопротивление контура, м вод. ст. нагреваемой воды
3,0
Гидравлическое сопротивление контура, м вод. ст. охлаждаемой воды
7,4
Гидравлическое сопротивление контура, м вод. ст. охлаждающей воды
6,9
Длина в м.
4,85
Категория
АБХМ на газе
Масса в т, в рабочем состоянии
21,2
Масса в т, сухая
13,5
Модель
1000Т
Расход нагреваемой воды, м3/ч*
79
Расход охлаждаемой воды м3
198
Расход охлаждающей воды м3
227
Расход природного газа, нм3/ч**
108
Серия
АБХМ-Т-10
Степень переработки
Одноступенчатая
Тепловая мощность, кВт*
920
Установленная электрическая мощность, кВт
6,8
Холодильная мощность, кВт
1150
Ширина в м.
3.10

* - для холодильных машин с возможностью работы в режиме нагрева (АБХМ-Тн)

** - теплота сгорания газа 8500 ккал/нм3, присоединительное давление - 30 кПа

Абсорбционные бромистолитиевые холодильные машины с огневым обогревом 10й серии 1000Т

Данные приведены для следующих пораметров теплоносителей: 

  • температура охлаждаемой воды - 12/7 C
  • температура охлаждающей воды - 27/35 C
  • температура нагреваемой воды  - 60/70 С

Минимальная температура охлаждённой воды 5 С

Максимальная температура нагретой воды 80 С.

Характеристики электропитания: 380 В, 50Гц.

Холодильные машины с параметрами, выходящими за пределы модельного ряда могут быть поставлены заказчику по согласованию.

Допускаемое давление:

  • охлаждаемой воды - 1МПа
  • охлаждающей воды - 0,6 МПа
  • нагреваемой воды - 0,6 МПа