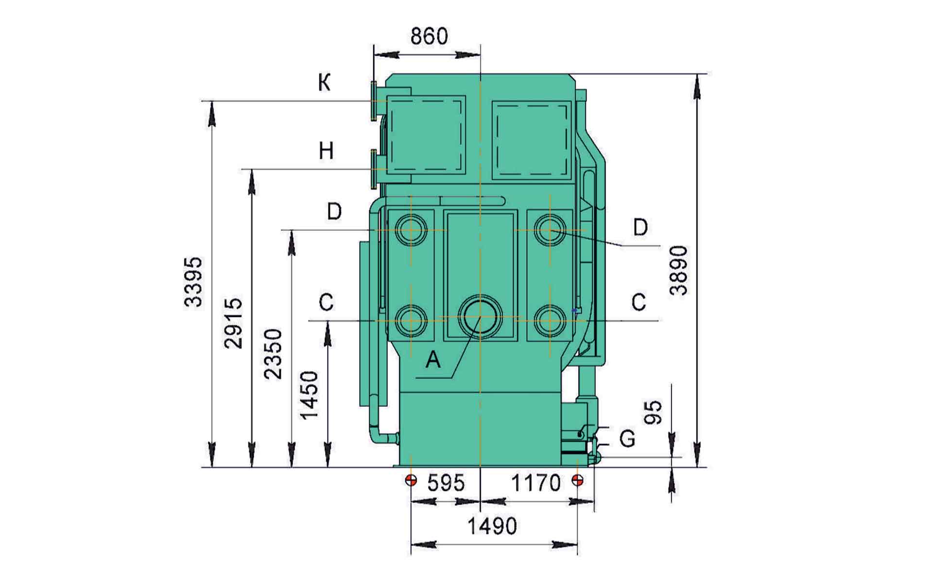
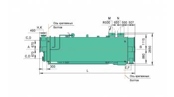
Высота в м.
3,95
Гидравлическое сопротивление контура, м вод. ст. греющей воды
11,0
Гидравлическое сопротивление контура, м вод. ст. охлаждаемой воды
4,9
Гидравлическое сопротивление контура, м вод. ст. охлаждающей воды
6,3
Длина в м.
7,30
Категория
АБХМ на воде
Масса в т, в рабочем состоянии
37,0
Масса в т, сухая
24,5
Модель
3000Вн
Расход греющей воды, м3
317
Расход охлаждаемой воды м3
430
Расход охлаждающей воды м3
750
Серия
АБХМ-Вн-10
Степень переработки
Одноступенчатая
Установленная электрическая мощность, кВт
8,6
Холодильная мощность, кВт
2500
Ширина в м.
2,65

Абсорбционные бромистолитиевые холодильные машины с низкотемпературным водяным обогревом с одноступенчатой регенерацией раствора 10й серии 3000Вн

Данные приведены для следующих пораметров теплоносителей: 

  • температура охлаждаемой воды - 12/7 C
  • температура охлаждающей воды - 27/34 C
  • температура греющей воды  - 90/80 С

Минимальная температура охлаждённой воды 5 С

Характеристики электропитания: 380 В, 50Гц.

Холодильные машины с параметрами, выходящими за пределы модельного ряда могут быть поставлены заказчику по согласованию.

Допускаемое давление:

  • охлаждаемой воды - 1МПа
  • охлаждающей воды - 0,6 МПа
  • греющей воды - 0,6 МПа